Fragen bitte im Thread „Zappi Charger 22kw“ stellen, damit hier wirklich nur die Informationen verfügbar sind und es nicht unübersichtlich wird!!
Zusätzliche Informationen trage ich gerne ein.
Informationen Zappi Wallbox 22kw:
Moin, ich habe hier mal alle möglichen Informationen bezüglich ZAPPI Betrieb, Installation usw. zusammengeschrieben. Ich habe die ZAPPI Wallbox mit HUB und HARVI an einer LG Solaranlage mit einem 6,4kw DC gekoppelten Speicher in Betrieb. Daher betreffen sämtliche Informationen nur PV-Anlagen mit DC gekoppelten Speicher!
Die Zappi kann natürlich auch an einer PV Anlage ohne Speicher bzw. mit AC gekoppelten Speicher betrieben werden.
Falls wer Informationen zum Betrieb mit AC gekoppelten Speicher Informationen hat, mir eine PN schicken oder bei „Zappi Charger 22kw“ einstellen, dann trage ich das hier nach!
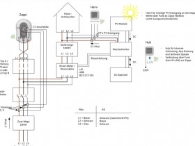
Wenn die ZAPPI Wallbox gemäß den unteren Angaben/Anschlussplan angeschlossen wird, funktioniert das PV Überschussladen ohne Speicher-Entladung einwandfrei!
Wichtig ist der Netzanschluss der Zappi vor dem Smartmeter. Bei mir wurde die Zappi direkt hinter dem Hauptschalter angeschlossen und dann weiter über den Sicherungskasten verdrahtet.
Alle Angaben habe ich nach bestem Wissen und den bis jetzt aufgetretenen Fragen zusammengetragen, falls Fehler entdeckt werden, bitte melden. Die beigefügte Anschluss-Skizze ist nur als Anhalt zum Anschluss der ZAPPI Wallbox, das ist kein professioneller Schaltplan!!!!
Hier nochmal im PDF Format: FarNorth-NF_2.pdf

Vielen Dank an @Oberleinsiedler für die
obige Verbesserung des Zappi Anschlussplans!!!!
Ablauf bei PV Erzeugung:
Die Zappi Wallbox arbeitet ohne Probleme mit sämtlichen unterschiedlichen
Wechselrichtern der verschiedensten Hersteller zusammen. Einsetzbar bei PV Anlagen mit
oder ohne Speicher. Falls eine Erweiterung der PV Anlage mit einem Speicher geplant ist,
unbedingt den Netzanschluss der Zappi vor dem Smartmeter (z.B. ABB B23 212-100)
durchführen, damit beim Autoladen der Speicher nicht entleert wird! Siehe Anschlussskizze und zweites Video im nächsten Beitrag.

HUB:
Wenn Internetanbindung, App Nutzung und Software Update Fähigkeit gewünscht wird, ist der HUB erforderlich. Für die Anbindung HUB wird ein LAN Kabel und eine 220V Steckdose für das Netzteil benötigt.
HARVI:
Falls zusätzlich Information der PV Erzeugung (Anzeige PV Erzeugung am Display Zappi und in der App) gewünscht wird (nicht zwingend erforderlich) wird der HARVI mit drei zusätzlichen CT Klemmen (Stromwandlerklemmen) benötigt. Anschluss der CT Klemmen an den einzelnen Phasen Einspeisung Wechselrichter, Pfeilrichtung CT Klemme zum Sicherungskasten.
Verbindung ZAPPI – HUB / ZAPPI – HARVI ist per Funk (kein WLAN)
Nach Installation unbedingt Firmware Update durchführen, zuerst am HUB, danach an der ZAPPI Wallbox.
Ablauf Update:
myenergi.de/wp-content/uploads…irmware-update_081020.pdf
Drei verschiedene Lade-Modi:
ECO +: Nur PV Überschussladen, unterhalb von 1,4 kw PV-Überschuss pausiert die Ladung
ECO:PV-Überschussladen mit zusätzlichem Netzstrom, somit ist eine konstanteLadung möglich
Fast:Schnellladung 11kw oder 22kw, dreiphasig, falls PV Überschuss vorhanden wird der Überschuss mit genutzt
Bei einem vorhandenen Speicher: Anschluss der Zappi Wallbox vor dem Smartmeter (z.B. ABB B23 212-100) um ein Entladen des Speichers während des E-Auto Ladevorgangs zu vermeiden!!!
Ich habe eine LG-Solaranlage mit DC gekoppelten Speicher, durch den Anschluss vor dem Smartmeter wird zuerst der Speicher gefüllt und danach der PV Überschuss zum Auto laden genutzt. (siehe Anschlussplan Skizze)
Ist der Speicher noch nicht voll und das Auto wird gleichzeitig geladen, wird nur Netzstrom für die Autoladung genutzt, der Speicher wird dadurch nicht entleert!
Siehe zweites Video im nächsten Beitrag.
PV Anlage mit Speicher:
CT-Klemmen/Stromabnehmerklemmen:
Bei mir wurden die CT Klemmen direkt vor dem Hauptschalter (Anschlussskizze oben) an den jeweiligen Phasen angebracht. Somit ist sichergestellt, dass der komplette Netzbezug bzw. die komplette Einspeisung erfasst wird.
Achtung! Besonderheit bei der Anschlussart gemäß dem aufgeführten Anschlussplan bei Anlagen mit Speicher: Wenn der HARVI und drei weitere CT Klemmen für die Erfassung/Anzeige der PV Erzeugung bei einer PV Anlage mit Speicher genutzt werden, bekommt man natürlich erst vernünftige Werte „PV Erzeugung“ an der ZAPPI und auch an der App angezeigt, wenn der Speicher gefüllt ist!!
Sich also nicht wundern, wenn am Wechselrichter PV Erzeugung angezeigt wird und an der ZAPPI/App keine Werte angezeigt werden, dann ist der Speicher noch nicht voll.
Die Anzeigewerte der Netz CT‘s sollten für alle drei Phasen identisch sein. Die Leistungswerte der einzelnen Phasen können je nach Belastung im Haus (Herd/Mikrowelle usw.) natürlich unterschiedlich sein.
Wenn unterschiedliche Werte vorhanden sind, z.B. in der Polarität oder es wird Strom eingespeist laut Anzeige an der Zappi, obwohl gar kein PV Überschuss vorhanden ist, dann sind entweder die CT Klemmen nicht korrekt installiert oder es ist ein Fehler in der Verkabelung (verkehrtes Drehfeld) Hausanschlusskasten /Sicherungskasten vorhanden!
Die Anzeigewerte der einzelnen CT Klemmen der drei Phasen müssen die gleiche Polarität haben.
Siehe Bilder von meinen Zappi Werten während einer 11kw Ladung. Der Powerfaktor „PF“ sollte auf allen drei Phasen zwischen 0,96 - 1,00 sein und die Werte für Strom und Leistung sollten auf allen drei Phasen positiv sein (bei Netzbezug).
Bei Einspeisung PV Überschuss müssen die Werte der CT Klemmen - negativ sein.





- Versorgungsnetz – Exportspannung
Diese Funktion stellt die minimale Menge von Exportenergie ein, wenn ZAPPI im ECO oder ECO+ Aufademodus arbeitet. Normalerweise wird die Exportmenge bei 0 W gesetzt und der gesamte Überschuss wird zur Fahrzeugaufadung verwendet. Es kann aber eingestellt werden, dass immer ein minimaler Export von Strom ins Netz erfolgt. Um diesen minimalen Export sicherzustellen, sollte man 50W oder 100W einstellen. Dadurch wird sichergestellt, dass wirklich nur PV Überschuss zum Laden genutzt wird.
Die Einstellung Exportspannung befindet sich im Zappi Menü: Erweiterte Einstellungen/Versorgungsnetz.
- Im Eco + Modus (Nur PV Überschussladen):
Falls gewünscht, kann am ZAPPI das Verhältnis zwischen Netzversorgung und erneuerbarem Strom/PV Überschuss so eingestellt werden, dass ein Ladevorgang immer sichergestellt ist. Z.B. kann der Min Green Level auf 75 % gesetzt werden (in diesem Fall wird Überschussenergie benutzt und bei Bedarf auch etwas Strom (bis zu 25%) aus dem Netz).
Hierdurch wird verhindert, dass die Ladung unterbrochen wird.
Wenn der Min Green Level auf 100% eingestellt ist und der PV Überschuss sinkt unter 1,4 kw wird die Ladung pausiert.
Fragen bitte im Thread „Zappi Charger 22kw“ stellen!!!
Gruß aus dem hohen Norden,
FarNorth-NF
Zusätzliche Informationen trage ich gerne ein.
Informationen Zappi Wallbox 22kw:
Moin, ich habe hier mal alle möglichen Informationen bezüglich ZAPPI Betrieb, Installation usw. zusammengeschrieben. Ich habe die ZAPPI Wallbox mit HUB und HARVI an einer LG Solaranlage mit einem 6,4kw DC gekoppelten Speicher in Betrieb. Daher betreffen sämtliche Informationen nur PV-Anlagen mit DC gekoppelten Speicher!
Die Zappi kann natürlich auch an einer PV Anlage ohne Speicher bzw. mit AC gekoppelten Speicher betrieben werden.
Falls wer Informationen zum Betrieb mit AC gekoppelten Speicher Informationen hat, mir eine PN schicken oder bei „Zappi Charger 22kw“ einstellen, dann trage ich das hier nach!
Wenn die ZAPPI Wallbox gemäß den unteren Angaben/Anschlussplan angeschlossen wird, funktioniert das PV Überschussladen ohne Speicher-Entladung einwandfrei!
Wichtig ist der Netzanschluss der Zappi vor dem Smartmeter. Bei mir wurde die Zappi direkt hinter dem Hauptschalter angeschlossen und dann weiter über den Sicherungskasten verdrahtet.
Alle Angaben habe ich nach bestem Wissen und den bis jetzt aufgetretenen Fragen zusammengetragen, falls Fehler entdeckt werden, bitte melden. Die beigefügte Anschluss-Skizze ist nur als Anhalt zum Anschluss der ZAPPI Wallbox, das ist kein professioneller Schaltplan!!!!
Hier nochmal im PDF Format: FarNorth-NF_2.pdf
Vielen Dank an @Oberleinsiedler für die
obige Verbesserung des Zappi Anschlussplans!!!! Ablauf bei PV Erzeugung:
- Speicher wird geladen (falls das Auto währenddessen geladen wird, Autoladung durch Netzstrom, keine Speicherentladung durch die Autoladung)
- Nach vollen Speicher PV Überschuss für Eigenverbrauch oder Einspeisung
- Der PV Überschuss, der normal eingespeist wird, kann jetzt für die Autoladung genutzt werden, je nach Leistung der PV Anlage ein- oder dreiphasig. Siehe die verschiedenen Lade-Modi
Die Zappi Wallbox arbeitet ohne Probleme mit sämtlichen unterschiedlichen
Wechselrichtern der verschiedensten Hersteller zusammen. Einsetzbar bei PV Anlagen mit
oder ohne Speicher. Falls eine Erweiterung der PV Anlage mit einem Speicher geplant ist,
unbedingt den Netzanschluss der Zappi vor dem Smartmeter (z.B. ABB B23 212-100)
durchführen, damit beim Autoladen der Speicher nicht entleert wird! Siehe Anschlussskizze und zweites Video im nächsten Beitrag.
- Weitere Informationen siehe: myenergi.de/faqs/
- Dort gibt es die Bedienungsanleitungen und weitere Informationen als Download
- Oder Infos auch hier: evw-forum.de/index.php?thread/…&postID=100773#post100794
- Lade-Leistung ist einstellbar per Menü z.B. 11kw oder 22kw
- Gehäuse-Tiefe mit eingestecktem Ladestecker ca. 27cm
- Für die Kabeldurchführungen in das Zappi Gehäuse werden zusätzlich je nach Kabelstärke für die Netzzuleitung und eventuell das Netzwerkkabel, falls die CT Klemmen verlängert werden müssen, Kabelverschraubungen IP65 oder höher benötigt (die IP65 Verschraubungen gehören nicht zum Lieferumfang).
- Für die Verlängerung der CT Klemmenkabel jeweils ein Adernpaar des Netzwerkkabels nutzen, dabei Polarität beachten. Die Abschirmung wird nicht benötigt.
- Optionen der Kabeldurchführung in das Gehäuse sind: links unten, rechts unten, Mitte unten oder Rückseite mittig unten. Falls man bei einer rückseitigen Kabelführung keinen Kabelschlitz in die Wand stemmen möchte, kann man die ZAPPI Wallbox auch mit Distanzstücke anbringen.
- Die Netz Anschluss-Klemmen in der ZAPPI haben 5 - 5,5mm Durchmesser, sollten also auch für 10mm2 Adern ausreichen.
- Die Anschlussklemmen in der ZAPPI vorsichtig anziehen, um eine Beschädigung der Klemmen bzw. Platine zu vermeiden. Wenn möglich mit „1,2Nm“ mit einem Drehmomentschraubendreher anziehen. Siehe Abbildung unten
HUB:
Wenn Internetanbindung, App Nutzung und Software Update Fähigkeit gewünscht wird, ist der HUB erforderlich. Für die Anbindung HUB wird ein LAN Kabel und eine 220V Steckdose für das Netzteil benötigt.
HARVI:
Falls zusätzlich Information der PV Erzeugung (Anzeige PV Erzeugung am Display Zappi und in der App) gewünscht wird (nicht zwingend erforderlich) wird der HARVI mit drei zusätzlichen CT Klemmen (Stromwandlerklemmen) benötigt. Anschluss der CT Klemmen an den einzelnen Phasen Einspeisung Wechselrichter, Pfeilrichtung CT Klemme zum Sicherungskasten.
Verbindung ZAPPI – HUB / ZAPPI – HARVI ist per Funk (kein WLAN)
Nach Installation unbedingt Firmware Update durchführen, zuerst am HUB, danach an der ZAPPI Wallbox.
Ablauf Update:
myenergi.de/wp-content/uploads…irmware-update_081020.pdf
Drei verschiedene Lade-Modi:
ECO +: Nur PV Überschussladen, unterhalb von 1,4 kw PV-Überschuss pausiert die Ladung
ECO:PV-Überschussladen mit zusätzlichem Netzstrom, somit ist eine konstanteLadung möglich
Fast:Schnellladung 11kw oder 22kw, dreiphasig, falls PV Überschuss vorhanden wird der Überschuss mit genutzt
Bei einem vorhandenen Speicher: Anschluss der Zappi Wallbox vor dem Smartmeter (z.B. ABB B23 212-100) um ein Entladen des Speichers während des E-Auto Ladevorgangs zu vermeiden!!!
Ich habe eine LG-Solaranlage mit DC gekoppelten Speicher, durch den Anschluss vor dem Smartmeter wird zuerst der Speicher gefüllt und danach der PV Überschuss zum Auto laden genutzt. (siehe Anschlussplan Skizze)
Ist der Speicher noch nicht voll und das Auto wird gleichzeitig geladen, wird nur Netzstrom für die Autoladung genutzt, der Speicher wird dadurch nicht entleert!
Siehe zweites Video im nächsten Beitrag.
PV Anlage mit Speicher:
CT-Klemmen/Stromabnehmerklemmen:
Bei mir wurden die CT Klemmen direkt vor dem Hauptschalter (Anschlussskizze oben) an den jeweiligen Phasen angebracht. Somit ist sichergestellt, dass der komplette Netzbezug bzw. die komplette Einspeisung erfasst wird.
Achtung! Besonderheit bei der Anschlussart gemäß dem aufgeführten Anschlussplan bei Anlagen mit Speicher: Wenn der HARVI und drei weitere CT Klemmen für die Erfassung/Anzeige der PV Erzeugung bei einer PV Anlage mit Speicher genutzt werden, bekommt man natürlich erst vernünftige Werte „PV Erzeugung“ an der ZAPPI und auch an der App angezeigt, wenn der Speicher gefüllt ist!!
Sich also nicht wundern, wenn am Wechselrichter PV Erzeugung angezeigt wird und an der ZAPPI/App keine Werte angezeigt werden, dann ist der Speicher noch nicht voll.
Die Anzeigewerte der Netz CT‘s sollten für alle drei Phasen identisch sein. Die Leistungswerte der einzelnen Phasen können je nach Belastung im Haus (Herd/Mikrowelle usw.) natürlich unterschiedlich sein.
Wenn unterschiedliche Werte vorhanden sind, z.B. in der Polarität oder es wird Strom eingespeist laut Anzeige an der Zappi, obwohl gar kein PV Überschuss vorhanden ist, dann sind entweder die CT Klemmen nicht korrekt installiert oder es ist ein Fehler in der Verkabelung (verkehrtes Drehfeld) Hausanschlusskasten /Sicherungskasten vorhanden!
Die Anzeigewerte der einzelnen CT Klemmen der drei Phasen müssen die gleiche Polarität haben.
Siehe Bilder von meinen Zappi Werten während einer 11kw Ladung. Der Powerfaktor „PF“ sollte auf allen drei Phasen zwischen 0,96 - 1,00 sein und die Werte für Strom und Leistung sollten auf allen drei Phasen positiv sein (bei Netzbezug).
Bei Einspeisung PV Überschuss müssen die Werte der CT Klemmen - negativ sein.
- Versorgungsnetz – Exportspannung
Diese Funktion stellt die minimale Menge von Exportenergie ein, wenn ZAPPI im ECO oder ECO+ Aufademodus arbeitet. Normalerweise wird die Exportmenge bei 0 W gesetzt und der gesamte Überschuss wird zur Fahrzeugaufadung verwendet. Es kann aber eingestellt werden, dass immer ein minimaler Export von Strom ins Netz erfolgt. Um diesen minimalen Export sicherzustellen, sollte man 50W oder 100W einstellen. Dadurch wird sichergestellt, dass wirklich nur PV Überschuss zum Laden genutzt wird.
Die Einstellung Exportspannung befindet sich im Zappi Menü: Erweiterte Einstellungen/Versorgungsnetz.
- Im Eco + Modus (Nur PV Überschussladen):
Falls gewünscht, kann am ZAPPI das Verhältnis zwischen Netzversorgung und erneuerbarem Strom/PV Überschuss so eingestellt werden, dass ein Ladevorgang immer sichergestellt ist. Z.B. kann der Min Green Level auf 75 % gesetzt werden (in diesem Fall wird Überschussenergie benutzt und bei Bedarf auch etwas Strom (bis zu 25%) aus dem Netz).
Hierdurch wird verhindert, dass die Ladung unterbrochen wird.
Wenn der Min Green Level auf 100% eingestellt ist und der PV Überschuss sinkt unter 1,4 kw wird die Ladung pausiert.
Fragen bitte im Thread „Zappi Charger 22kw“ stellen!!!
Gruß aus dem hohen Norden,
FarNorth-NF
- LG Home ESS 8 PV Anlage/10,5 kWh Speicher, je 3,2 kwp Ost- & Westseite
- Wallbox ZAPPI 11kw mit HUB/HARVI
- VW ID3 1st
ZAPPI EINSTELLUNGEN als EXCEL-LISTE:
- Myenergi Zappi Wallbox Informationen, Tipps usw. - Fragen bitte nur im Thread "Zappi Charger 22kw" stellen!
- Wallbox ZAPPI 11kw mit HUB/HARVI
- VW ID3 1st
ZAPPI EINSTELLUNGEN als EXCEL-LISTE:
- Myenergi Zappi Wallbox Informationen, Tipps usw. - Fragen bitte nur im Thread "Zappi Charger 22kw" stellen!
Dieser Beitrag wurde bereits 25 mal editiert, zuletzt von FarNorth-NF ()